Lithium Iron Phosphate Battery vs lead acid

In terms of Solar I really only want to have the 50 watt panel out all the time. I could always have something I can take out when needed and link in to the same link. Im guessing id need to replace the Renogy 10 watt controller and id like the solar to charge both 75ah batteries.

Then I just need a better way to connect the solar/bilge pumps and heater to the batteries.
Steveeasy
 
You can never have too much solar. Panels are so cheap these days that the only real limit is finding somewhere to put them.
I managed to fit 1200w on to a 39ft mono... and 250w on to a 33ft... sometimes you need to think laterally.
 
Then I just need a better way to connect the solar/bilge pumps and heater to the batteries.
Steveeasy
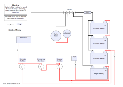
You can have a bus bar for both a common negative and a bus bar for the positive from the house bank to take both loads and inputs that don't go through the DC panel. That is how I did it with bilge pump direct to this and you could have your heater direct, but through an isolating switch and fuse. Your solar would go to the common negative and the house bus bar so that it charges the house bank. This assumes you have 2 separate banks.
 
It looks like the the solar charger you have is suitable for LI. I have the same one, controlling 50W on the F-24 trimaran I day sail, which is enough to maintain the battery without plugging in, plus the very, very rare overnight. For you, I would at least double the solar.
Wanderer 10A PWM Charge Controller with BT1

You did not mention engine charging. That will have to be regulated. In my case, On my F-24 I don't have engine charging, so one less thing. I wouldn't run it enough to help if I did.

I may switch to Li on the next go, simply because it may become the cheaper choice. At the same time I will actually downsize, saving perhaps 40 pounds (the F-24 is a very light boat). But that is not your goal.

No, do not install lead and LiFePO4 in parallel, This is a really bad idea because their charging curves are far too different. You can have both, but they must be separated by a DC/DC charger. Long explanation.
No, do not install lead and LiFePO4 in parallel, This is a really bad idea because their charging curves are far too different. You can have both, but they must be separated by a DC/DC charger. Long explanation.
Wrong. The USA authority say not to but as others have found out, in reality it does work. An explanation by sea change is correct.
 
Currently my boat has 1 single house battery and 1 engine start battery. both are 75 Amp lead acid. These sit in the original battery box and I dont want to build new battery boxes. Ive been thinking I could fit larger, 100 amp hr Lithium Iron batteries in the same space. increasing battery storage capacity. ie 2 house batteries, and fit a small lead acid engine start battery somewhere else.
I wondered if anyone can offer any advice on this and should I change the 1,2 B switch at the same time. Perhaps I should start from scratch and if so any suggestions appreciated. was going to fit a victron battery monitor and have a 50 watt solar panel with a Renogy 10 watt controller.

Steveeasy
 
If you fit a lithium battery make sure you inform your insurance company.
Based on my experience, I would phone them beforehand so you comply with
their requirements.
 
Top