salubrious
New Member
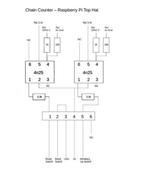
Hi @Hurricane , I am just building a Pi based chain counter now. I'm doing it in python. I was just planning on using the reed switch in the gypsy via a pull up resistor to trigger a GPIO interrupt. Is there a reason this would not work which necessitated the usage of the additional chips?
Cheers
Jeff
Cheers
Jeff












