Yanmar 1gm10 warning buzzer

kevsbox

Well-Known Member
Joined
10 Jun 2020
Messages
217
Location
Portsmouth, UK
www.kevsbox.com
Hi
So just turn up at the and the yanmar warning tone is on and so are the oil and charge lights.
The engine does start though and the battery looks fine.
Any ideas please
 
With no key in the ignition the engine warning buzzer is on and the charge and oil lights are on also. They are not flashing they are on. I have checked the oil it is okay. When I insert the ignition key and press the button the engine starts okay with no battery lag.
Then with the engine running the warning buzzer goes off and the lights go out the engine sounds fine.
When I stop the engine warning buzzer restarts and the two warning lights come back on
 
Hi
So just turn up at the and the yanmar warning tone is on and so are the oil and charge lights.
The engine does start though and the battery looks fine.
Any ideas please
If you mean that the buzzer was going when you arrived at the boat, then that sounds as though the ignition was turned on. So either you'd left the key in the ignition part turned, or maybe there's a short in that part of the circuit.
When you've finished with the engine this time, turn off and remove the key, and hang around for 10 minutes to check whether the buzzer comes back.
Edit - OK, it sounds as though you've got a faulty starter switch, or maybe a short on the ignition side of the circuit.
If you can't find an external fault, it'll be the switch. Either replace, or if you're a bodger like me, add a manual switch into the circuit.
 
That sounds as if there is something funny about the wiring of the switch or the switch itself - or somehow the key has been removed with the ignition still switched on.

It is normal (and correct) for the oil and charge lights to come on and the buzzer to sound once the ignition is switched on before the engine is started. The oil light is an oil pressure warning light and there is no oil pressure before the engine is running. The charge lights tells you the alternator isn't charging - which is also correct. Once the engine starts there is oil pressure and the alternator starts charging and so the lights go out.

With most installations in the only position from which you can remove the key there should be no power to any of the circuits. Switching the ignition on applies power to the alternator, lights etc so the warning lights come on.

If this is new behaviour and nothing has changed then it suggests the switch is faulty - but it doesn't sound serious
 
Hi All, home now are typing on a real keyboard so -
When I visited the boat on Tuesday all was well and I test started the engine no problem
Today when we arrived the buzzer was going off and the two lights were on.
I inserted the key and turned the ignition and and started the engine no problem, at this point the buzzing stopped and the warning lights when off
I then stopped the engine as usual and waited for the usual buzz at which point I turned the ignition off
Then the warning lights came back on and the buzzing started again.

Video on youtube to follow soon
 
it's a short in the ignition switch. You could start it without the key. I see the panel is loose in your hand. Check the connectors on the back aren't bent and shorting out the switch.
 
It is not just a simple short as the lights behave differently when the switch is off to when it is on - in a simple short there would be no difference. Does the switch just have a single connection (i.e. two terminals at the back - a picture of the connections might help).

There clearly is a partial short somewhere because there wouldn't be any lights otherwise. The two components that are connected to the battery directly (via the switch) rather than the ignition panel are the solenoid and the alternator - so perhaps the issue is in one of those - the alternator is perhaps the more likely.
 
the only way for positive to get to the buzzer is via the ignition switch. Diodes prevent reverse current. Therefore the switch is shorted.
But if it were a simple short then turning the key would make no difference - and it does - so it is a bit more complicated than that. Could be dirt on/near the switch that is causing a short of comparatively high resistance - but I am not sure even that explains the (oil?) light lighting in one case and not the other. In fact the oil light NOT lighting when it is switched on is itself a bit odd.
 
But if it were a simple short then turning the key would make no difference - and it does - so it is a bit more complicated than that. Could be dirt on/near the switch that is causing a short of comparatively high resistance - but I am not sure even that explains the (oil?) light lighting in one case and not the other. In fact the oil light NOT lighting when it is switched on is itself a bit odd.
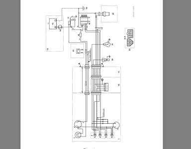
Yep, I see that now I have the schematic. It could be coming off terminal L or B on the alternator so the charging light going out when the switch is turned on would make sense. Screenshot 2023-04-30 at 12.21.55.png
 
Top