chriss999
Well-Known Member
Hello Paul,Wiring a VSR with the 1-2-B switch, note the VSR is dual sensing in both installations.
![]()
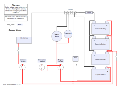
Three separate switches, with the VSR.
![]()
I’m really sorry to re-open an old thread. But could you re-post these two illustrations? They’ve disappeared from the thread (for me at any rate).
I’ve got a 1-2-B switch that I’m reluctant to ditch for the moment but I do want to be able to charge both batteries (engine/house) from my smallish solar panels and alternator without switching back and forth.
Maybe I’ll buy the 3 separate switches next year to finish the job.
Modest power requirements - just lights and instruments. 26ft sailing yacht with 20hp Beta.

