Refueler
Well-Known Member
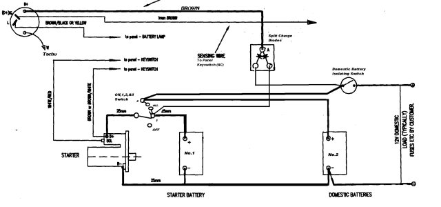
Fair enough Paul but 1-2- B switches I have seen select the engine start battery. I know not all the same but wondered on OP's configuration.
Generally the 1-B-2=off switch is just a switch to choose which battery for use ... or both ... or completely off. The Start and domestics are rarely separated and can power all on board based on switch position.
