Tim Good
Well-Known Member
Simple question:
Why does my battery monitor seem to recognise amps incoming via a PMW solar controller whilst it ignores amps from an MPPT controller?
More detail
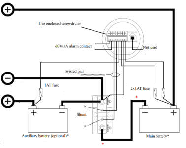
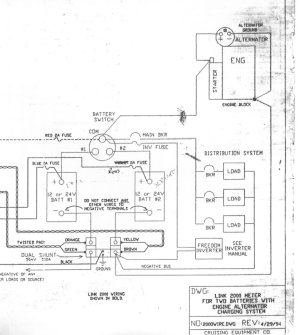
You may recognise this battery monitor? It’s a Heart Link2000 which is also link to a big Heart Freedom system.
Anyway it records all sorts of stuff but at its most basic it has an amps and amp hr monitor. Very useful.
The 3 sets of batteries all go via a Victron Argofet isolator. Into that goes the alternator, small solar panel via a simple dual PMW solar controller connected to bow and engine battery battery. Then a larger 360w solar array via an MPPT controller goes to the house bank. Also connected to the Argofet.
If I run the engine you see the positive amps going into the batteries on the amps. Likewise I can see positive amps going into the Bow and Engine batteries from the PMW solar controller. However it doesn’t record any positive amps from the main solar array. And that’s really what I need.
I can obviously monitor the incoming amps via Victron app but what is useful is it working on the battery monitor and showing the amp hrs used during the night and then being replenished and going back to zero during day when the solar is working. It gives a much better picture of how full the batteries are or how close your are to being full.
Why might the monitor not pick up the amps from the Victron controller?

Why does my battery monitor seem to recognise amps incoming via a PMW solar controller whilst it ignores amps from an MPPT controller?
More detail
You may recognise this battery monitor? It’s a Heart Link2000 which is also link to a big Heart Freedom system.
Anyway it records all sorts of stuff but at its most basic it has an amps and amp hr monitor. Very useful.
The 3 sets of batteries all go via a Victron Argofet isolator. Into that goes the alternator, small solar panel via a simple dual PMW solar controller connected to bow and engine battery battery. Then a larger 360w solar array via an MPPT controller goes to the house bank. Also connected to the Argofet.
If I run the engine you see the positive amps going into the batteries on the amps. Likewise I can see positive amps going into the Bow and Engine batteries from the PMW solar controller. However it doesn’t record any positive amps from the main solar array. And that’s really what I need.
I can obviously monitor the incoming amps via Victron app but what is useful is it working on the battery monitor and showing the amp hrs used during the night and then being replenished and going back to zero during day when the solar is working. It gives a much better picture of how full the batteries are or how close your are to being full.
Why might the monitor not pick up the amps from the Victron controller?






