Andrew_Trayfoot
Well-Known Member
Any recomendation on a VSR?
@PaulRainbow what are you currently recmending?
@PaulRainbow what are you currently recmending?
That is arguably a very sensible feature, connecting a big flat house bank to your start battery may not be a good idea!I have a blue sea one which works well except for an annoying feature I discovered soon after leaving Alderney after a few days on a buoy. It won’t combine batteries if the voltage on one is too low. So when planning an installation do consider installing an emergency manual battery combiner to avoid the necessity of heavy duty cable gymnastics in bumpy weather
The under voltage lockout for BlueSea VSRs is 9.5 volts . . . . It's in the specs on their websiteThat is arguably a very sensible feature, connecting a big flat house bank to your start battery may not be a good idea!
How flat is 'too flat' though?
Victron Cyrix AndrewAny recomendation on a VSR?
@PaulRainbow what are you currently recmending?
It is and I see the reason. But when your autopilot starts beeping low voltage at you and starting the engine doesn’t solve the problem, you wish you’d thought to install the manual linkThat is arguably a very sensible feature,
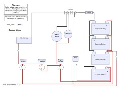
This is my solution which is with BEP but can be done with any DVSR, allows for isolation of each battery for engine start or house loads. Prevents issue with over discharged battery leading to non-functioning system. Is wired different to the BEP standard wiring. The shunt is there for monitoring.BEP Switch Cluster and VSR
Operation Switch Positions Effect Normal On House and Start On, EP Off House and Start systems connected to their respective batteries independently. VSR will activate to parallel batteries for charging when engine running Emergency Parallel All switches on Both batteries are joined in 1 bank Start from House Start Off, House On, EP On Start battery will be isolated. House battery will power all systems Power from Start Start On, House Off, EP On House battery will be isolated. Start battery will power all systems All Off All Off Engine and all switched loads will be isolated. Charger and unswitched loads will remain powered
Thanks Paul![]()
Or if you must keep the 1-2-B just connect the 1-2-B as above. You can leave the coolbox on the relay. The solar controller would be best connected to just one battery bank, probably better to use the domestic bank.