jakew009
Well-Known Member
Finally had time to start refurbing the MF805 I bought last summer (thread here). I was going to try and do it over winter but was too busy with work and I don't like working in the cold 
This was the last boat project I did Project Cobra - RIBnet Forums
First job was to get the boat moved from Instow back to our car park. It's only about 6 miles from where it's usually moored but I couldn't face traipsing over to the yacht club and back all the time and it's so much easier with all my tools to hand.
This is where it spent the winter (and I totally abandoned it for 5 months knowing I had to do a load of work on it)

And this is where it's now sat

Please excuse the milk crates.
My plan when I bought the boat was to buy the cheapest specimen that was mechanically sound. My thinking was I knew I was going to do a load of work on it anyway, so I didn't really care what condition it was in. However, I didn't want to be messing with the engine.
I used it a fair bit last summer and didn't have too many problems apart from some annoying stuff. However, I didn't particularly trust the electrics and was never going to be happy until I had gone through it top to bottom.
The rough plan
- Replace the rubbing strake all around
- Replace the cockpit lockers by the doors & see if I can fit some more storage in the 'wings'.
- Replace all the through hull fittings and fibreglass the unneeded fittings
- Remove the horrendous china heater install and make good
- Replace the perspex side windows that have crazed
- Miscellaneous GRP repairs
- Vinyl wrap the interior with a modern wood effect (3M Di-noc or similar
- Tart up the cabin table
- Table leg base in the lazarette locker
- Replace the sink / hob with a modern one. Get rid of the awful wooden lid and replace the worktop.
- Flowcoat all exposed plywood in the lazarette / bilge
- New upholstery throughout
- Fix the windscreen wipers
- Replace steering with hydraulic so can fit autopilot
- Get rid of the black tank that takes up half the lazarette and move it under the bed where it should be
- Replace the toilet
- Fit a transom shower
- Fix the hot water
- Fix the bilge pumps
- Fix the lights
- Fix the horn
- Remove fuel tank and clean
- Replace fuel filter with new Racor
- Replace diesel hoses
- Replace exhaust hoses
- Complete rewire
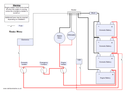
- Replace all the navigation gear (going with Timezero / Furuno PC based system as I'm tight).
Gonna be a busy few weeks
I've taken loads of photos as I went along as I could find very little info about how these bolts are bolted together or photos of them in pieces.
So today I jumped right in. First job was to rip out most of the electrics and get it back to how it came out of the factory. I also wanted to figure out how to run new wires around the boat.
The Volvo guages are moving and it's all gonna be NMEA2k based (more on that later)

There is masses of space up behind the panel at the front

The wiring was a real mess

The AIS unit was just chucked behind the headliner with no fixings
no wonder it was intermittent.

Dashboard before I rip it apart

Rear of dashboard, lots of bodgery in here

The nautical butcher that added this wire clearly did not have a pair of snips capable of shortening it

Most of the shit removed

Stage 1 complete

Let's see what carnage we have in here

The butcher has actually cut into a bunch of the original Merry Fisher wiring looms in order to find a positive supply for his poxy CO2 detector
Looking back towards the rear of the boat from the speaker hole. The far speaker is the speaker under the cockpit canopy. Loads of space in here.

That's an interesting way of drilling a hole

Most of the butchery removed, Wagos are great but they have zero place on a boat

What horrors will hide behind here

Not too bad, but I'm going to rip it all out anyway as it can be much simplified.
https://photos.jkrw.co.uk/images/2024/03/29/A9CC181B-51C3-4B28-AD8A-
C1AF2D8BAFFC_1_102_o.md.jpeg
The locker of horror

Whoever installed that should be shot

It seems he found the bits of wood used to secure the diesel tank on his bonfire

This was the last boat project I did Project Cobra - RIBnet Forums
First job was to get the boat moved from Instow back to our car park. It's only about 6 miles from where it's usually moored but I couldn't face traipsing over to the yacht club and back all the time and it's so much easier with all my tools to hand.
This is where it spent the winter (and I totally abandoned it for 5 months knowing I had to do a load of work on it)

And this is where it's now sat

Please excuse the milk crates.
My plan when I bought the boat was to buy the cheapest specimen that was mechanically sound. My thinking was I knew I was going to do a load of work on it anyway, so I didn't really care what condition it was in. However, I didn't want to be messing with the engine.
I used it a fair bit last summer and didn't have too many problems apart from some annoying stuff. However, I didn't particularly trust the electrics and was never going to be happy until I had gone through it top to bottom.
The rough plan
- Replace the rubbing strake all around
- Replace the cockpit lockers by the doors & see if I can fit some more storage in the 'wings'.
- Replace all the through hull fittings and fibreglass the unneeded fittings
- Remove the horrendous china heater install and make good
- Replace the perspex side windows that have crazed
- Miscellaneous GRP repairs
- Vinyl wrap the interior with a modern wood effect (3M Di-noc or similar
- Tart up the cabin table
- Table leg base in the lazarette locker
- Replace the sink / hob with a modern one. Get rid of the awful wooden lid and replace the worktop.
- Flowcoat all exposed plywood in the lazarette / bilge
- New upholstery throughout
- Fix the windscreen wipers
- Replace steering with hydraulic so can fit autopilot
- Get rid of the black tank that takes up half the lazarette and move it under the bed where it should be
- Replace the toilet
- Fit a transom shower
- Fix the hot water
- Fix the bilge pumps
- Fix the lights
- Fix the horn
- Remove fuel tank and clean
- Replace fuel filter with new Racor
- Replace diesel hoses
- Replace exhaust hoses
- Complete rewire
- Replace all the navigation gear (going with Timezero / Furuno PC based system as I'm tight).
Gonna be a busy few weeks
I've taken loads of photos as I went along as I could find very little info about how these bolts are bolted together or photos of them in pieces.
So today I jumped right in. First job was to rip out most of the electrics and get it back to how it came out of the factory. I also wanted to figure out how to run new wires around the boat.
The Volvo guages are moving and it's all gonna be NMEA2k based (more on that later)

There is masses of space up behind the panel at the front

The wiring was a real mess

The AIS unit was just chucked behind the headliner with no fixings

Dashboard before I rip it apart

Rear of dashboard, lots of bodgery in here

The nautical butcher that added this wire clearly did not have a pair of snips capable of shortening it

Most of the shit removed

Stage 1 complete

Let's see what carnage we have in here

The butcher has actually cut into a bunch of the original Merry Fisher wiring looms in order to find a positive supply for his poxy CO2 detector
Looking back towards the rear of the boat from the speaker hole. The far speaker is the speaker under the cockpit canopy. Loads of space in here.

That's an interesting way of drilling a hole

Most of the butchery removed, Wagos are great but they have zero place on a boat

What horrors will hide behind here

Not too bad, but I'm going to rip it all out anyway as it can be much simplified.
https://photos.jkrw.co.uk/images/2024/03/29/A9CC181B-51C3-4B28-AD8A-
C1AF2D8BAFFC_1_102_o.md.jpeg
The locker of horror

Whoever installed that should be shot

It seems he found the bits of wood used to secure the diesel tank on his bonfire






























































