PaulRainbow
Well-Known Member
Could be part of the inverter ?
If it was, it would be "behind" the PEN link, it it couldn't work.
Could be part of the inverter ?
If it was, it would be "behind" the PEN link, it it couldn't work.
I'm getting pretty fed up with inverter threads, every single on has someone or two that just wants to argue about a subject they don't understand.
But you're very patient....![]()
I'm getting pretty fed up with inverter threads, every single on has someone or two that just wants to argue about a subject they don't understand.
Felströmsbrytare (Fenno-Swedish) = Jordfelsbrytare (Swedish) = RCD (English)
Just to clarify and if anyone reads this in the future looking for clues for a similar problem - the Mastervolt manual makes it very clear an external RCD should be part of the installation - it seems to me that Nautor (who fitted the inverter in the boat from new) did include an RCD for the inverter but its a question of me finding it - assuming its not part of the RCD on the main switch panelPaul, It doesn't help when someone buys an inverter from a reputable company, with instructions which make no mention of whether internal rcd fitted or needs fitting in supply or, whether earth and neutral are bonded. Only warning is not to connect to mains supply at the same time. Are you surprised there's confusion, when any typical boat owning purchaser reading the instructions, thinks he/she just has to connect it to the batteries and use it, just like any other appliance?
QSW inverters instructions 2006a.cdr (shopify.com)
Graham.
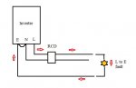
haha - easier said than done - the inverter is under one of the forward bunks and the transfer switch is behind the main switch panel on the opposite side of the boat - its at least 5m away and via all sorts of contortions - anyway that’s what I will need to do - surely its should be very visible and accessible - Im sure it will be obvious once Ive found it - thanks againFollow the wiring from the inverter to the transfer switch, the RCD should be between the two.
When you change the transfer switch to "inverter" there should be an RCD in that supply, close to the inverter.
I do this stuff for a living & yes I'm qualified to do so.
Not getting into an argument on this, so I'm out of here
haha - easier said than done - the inverter is under one of the forward bunks and the transfer switch is behind the main switch panel on the opposite side of the boat - its at least 5m away and via all sorts of contortions - anyway that’s what I will need to do - surely its should be very visible and accessible - Im sure it will be obvious once Ive found it - thanks again
Paul, It doesn't help when someone buys an inverter from a reputable company, with instructions which make no mention of whether internal rcd fitted or needs fitting in supply or, whether earth and neutral are bonded. Only warning is not to connect to mains supply at the same time. Are you surprised there's confusion, when any typical boat owning purchaser reading the instructions, thinks he/she just has to connect it to the batteries and use it, just like any other appliance?
QSW inverters instructions 2006a.cdr (shopify.com)
Graham.
This is factory fitted with a Mastervolt inverter.
That's not sufficient, he needs to check for a proper earth connection, to water. The could be continuity to the busbar and from there to the shore power connection, which would allow for the shore power RCD to trip, but there could be a break between the busbar and the water, which will disable the inverter RCD and the protection it should provide.
The connection to the water provides an alternative ( back up) path for a fault current back to the source ( local dist. transformer) in the event of the shorepower PE connection becoming discontinuous to ensure that the shorepower RCD remains operative.
However , this does not apply to the inverter RCD because the neutral is earthed at the inverter not remotely on-shore like the shorepower neutral.
(BTW the inverter in question is not a Mass-Combi as you seem to think. Just a Mass 24/1500, at least not as far as the schematic and the OPs description are concerned. )
That's right.
If there is no path back to the neutral no current will flow therefore the RCD will not trip.
This path is normally the PE conductor . If this becomes broken, for example by a bad connection in a shore power cable connector,. a connection to the water will provide an alternative path
That's right.
An external earth connection or a connection to the water does not provide a path back to the inverter neutral. That path is entirely provided by the boats internal PE wiring, which is why it is suspect in this case
That's not a brilliant attitude for an electrician. More like the attitude of cowboy builder.
.
>
>
When he switches the transfer switch to "inverter" the socket power goes through the inverter RCD, not the shore power RCD and the system now relies entirely on the boat having its own earth (connection to water). That same small current leak will go to earth and the RCD will trip, same as on shore power. If there is no onboard earth connection the current leak will do nothing, it has no path to flow to, the RCD will not trip.

What will happen if the earth connection does not go to ground is that a positive leak to earth will make the earth circuit, including any earth connections on metal faceplates and any metal appliance with an earth connection, live. It will not trip the RCD because there is no imbalance. If someone touches one of those live points and carries the current to earth they will get an electric shock. By carrying the current to earth the person will cause the RCD to trip, hopefully before the shock causes death or injury, an RCD is not a guarantee of survival.
If the earth circuit was connected to earth the RCD will trip as soon as the fault occurs, it will not wait for someone to touch a live object and get a shock. This is why it is vital that an inverter installation is correctly installed and correctly earthed.