LONG_KEELER
Well-Known Member
I have a new to me Tohatsu 6hp 2 stroke outboard.
Runs fine under load but a bit smokey at tick over and plug seems to oil up and has cut out just when docking.
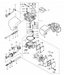
The carb seems to have one adjustment screw apart from throttle stop.
It's been a long time from having 2 strokes . Does this adjust fuel/air mixture
and how do I make adjustments ?
Thanks in advance.
Runs fine under load but a bit smokey at tick over and plug seems to oil up and has cut out just when docking.
The carb seems to have one adjustment screw apart from throttle stop.
It's been a long time from having 2 strokes . Does this adjust fuel/air mixture
and how do I make adjustments ?
Thanks in advance.
