Basic elec. system with 2 batteries

craiglockwood

Member
Joined
18 May 2013
Messages
32
Location
South Wales
Visit site
I’m looking at making a basic system with a starter battery and a dedicated house battery. The idea is that the alternator charges the starter battery and a Victron DC to DC charger will then charge the house battery. A Victron Smartshunt monitors both batteries. The switch turns off all cabin electrics like lights and instruments. There would also be fuses after each direct battery connection.

I realise that there may be plenty of ways to achieve this, is this a feasible way of approaching this (image below). I'm new to this but so any help greatly appreciated.

Starter battery.png
 
I’m looking at making a basic system with a starter battery and a dedicated house battery. The idea is that the alternator charges the starter battery and a Victron DC to DC charger will then charge the house battery. A Victron Smartshunt monitors both batteries. The switch turns off all cabin electrics like lights and instruments. There would also be fuses after each direct battery connection.

I realise that there may be plenty of ways to achieve this, is this a feasible way of approaching this (image below). I'm new to this but so any help greatly appreciated.
The DC-DC charger does not connect directly to the batteries, it should be connected between the load terminals of the domestic and engine battery isolators, however, a DC-DC charger is an expensive solution to such a simple system, a VSR would make more sense.

You need to fit an isolator for the engine battery.

The Smartshunt only monitors the domestic battery, but will show the voltage of the engine battery.

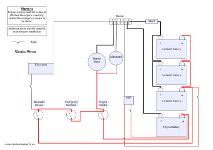
Ignoring the fact there are 3 domestic batteries in the schematic below, this is a how i would connect everything.

Charging-2-banks-VSR.png
 
I agree with Paul that the DCDC is expensive over kill in this situation. A VSR is a simple and inexpensive way to do the same job - assuming that the house battery is also Lead Acid and not Lithium.

If you do decide to use the DCDC don't forget to fuse BOTH sides of the device
 
The DC-DC charger does not connect directly to the batteries, it should be connected between the load terminals of the domestic and engine battery isolators, however, a DC-DC charger is an expensive solution to such a simple system, a VSR would make more sense.

You need to fit an isolator for the engine battery.

The Smartshunt only monitors the domestic battery, but will show the voltage of the engine battery.

Ignoring the fact there are 3 domestic batteries in the schematic below, this is a how i would connect everything.

View attachment 207880
so maybe something like an argofet rather than a DC to DC charger?
 
OK, I think I understand a little more now. Thank you. Here is the revised plan - feel free to make suggestions, pick holes etc.


* starter battery would be on input 1 on the Cyrix and house batt on 2

Starter battery-2.png
 
yes, starter on post 1 and hose battery on post 2 of the Cyrix. I think (really not sure hence, asking for validation here)
That's not what i meant, i posted a properly designed installation in post #2, you only need to follow that (omit the 2 additional batteries), just follow that.

Regardless, it does not matter which way around you connect the Cyrix, it is dual sensing.
 
It is, but I like 'em because of the push button start assist function.
I like them because they are reliable and work well, but not a fan of the Start Assist function. It's OK if the engine battery is slightly depleted, but not likely to start the engine if it's totally flat or faulty. I prefer the emergency switch in my schematics above as this can be used if the engine battery is totally flat or if a battery is faulty/shorted etc that battery (domestic or engine) can be isolated and the remaining battery used for both domestic and engine circuits to get you home.
 
Top