Daydream believer
Well-Known Member
I have a 20 ft open launch which I sometimes leave on a mooring. Sometimes it seems to leak & sometimes not. Sometimes the water may be due to a shower of rain. This is making it difficult to find the source. .
I have an automatic electric bilge pump & a decent battery, but I am always worried about finding that I have a flat battery.
What I do not know, is whether the bilge pump, which is left on a separate automatic circuit, has been working or not. I dare not leave it not turned on to see how much water comes in, as I may not be able to get to the boat in time. Besides it may rain, upsetting the equation.
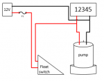
What I want to know is if forumites have installed any device to measure how many minutes the pump has been running. Rather like an hour meter on an engine, but smaller units. If so, what is it & how is it wired in?
I do not want to get involved in making things with computer gadgets etc, as I do not have the skill set.
Any advice appreciated
I have an automatic electric bilge pump & a decent battery, but I am always worried about finding that I have a flat battery.
What I do not know, is whether the bilge pump, which is left on a separate automatic circuit, has been working or not. I dare not leave it not turned on to see how much water comes in, as I may not be able to get to the boat in time. Besides it may rain, upsetting the equation.
What I want to know is if forumites have installed any device to measure how many minutes the pump has been running. Rather like an hour meter on an engine, but smaller units. If so, what is it & how is it wired in?
I do not want to get involved in making things with computer gadgets etc, as I do not have the skill set.
Any advice appreciated

