pedal88
New Member
Hi,
I have a Lofrans cayman 88 windlass and a quick reversing solenoid.
Suddenly my windlass have started to move really slowly in both up and down direction.
My wiring looks like the picture below (even tough the windlass itself looks different).
When pushing up switch I get 5V across A1 and B and 8V across A2 and B
When pushing down switch I get 8V across A1 and B and 5V across A2 and B
If I disconnect A2 cable from M2 terminal, the windlass will move up perfectly well with 13V
If I disconnect A1 cable from M1 terminal, the windlass will move down perfectly well with 13V
The terminals A1, A2 and B are inside the motor so have not looked at them yet. Apparently the 3 cables, leading to A1, A2 and B, have been spliced close to the windlass motor at an earlier occasion, therefor I am able to measure the voltage.
What is wrong? Is there unwanted electrical contact between A1 and A2 at some point?
Can I have connected the solenoid wrong (I replaced it recently).

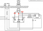
I have a Lofrans cayman 88 windlass and a quick reversing solenoid.
Suddenly my windlass have started to move really slowly in both up and down direction.
My wiring looks like the picture below (even tough the windlass itself looks different).
When pushing up switch I get 5V across A1 and B and 8V across A2 and B
When pushing down switch I get 8V across A1 and B and 5V across A2 and B
If I disconnect A2 cable from M2 terminal, the windlass will move up perfectly well with 13V
If I disconnect A1 cable from M1 terminal, the windlass will move down perfectly well with 13V
The terminals A1, A2 and B are inside the motor so have not looked at them yet. Apparently the 3 cables, leading to A1, A2 and B, have been spliced close to the windlass motor at an earlier occasion, therefor I am able to measure the voltage.
What is wrong? Is there unwanted electrical contact between A1 and A2 at some point?
Can I have connected the solenoid wrong (I replaced it recently).
