xeitosaphil
Well-Known Member
Hi wondering if anyone might know some aswers?
I haven't used my Suzuki D2 for a couple of years now, its been on the pushpit waiting for a chance out.
I intended to use it in the future while away, but thought to bring it home to check first, if it still works ok, before finding out on the dinghy it doesnt. It was working fine the last time I used it, and it used to start first time.
I took the spark plug out and checked that was ok by earthing it on the engine and pulling the starter cord, all ok.
I removed the fuel tank and the old fuel, cleaned it all out with fresh fuel, replaced it, and tried to start it.
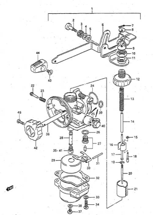
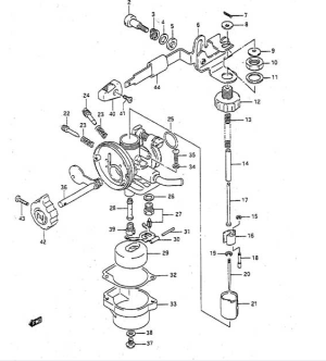
When turning the fuel cock on, loads of fuel runs out behind the throttle face plate, I wondered what might cause that?
I removed the black throttle face plate in the hope of getting a look inside the carburettor.
The throttle linkage goes up and down as normal but cant see if the needle goes fully down. I assume it goes down and shuts the fuel off, but not exactly sure how the workings of this carburettor works.
With fuel still dripping and the fuel cock turned off, I can start the engine after a few pulls, and it will run as long as I don't fully open the fuel cock again. It will run ok, but then it starts to increase revs until I have to shut it off with the stop button.
I Thought to try and take the carb off but can't get to the two screws at the top as there is the electric thingy fixed above them in the way.
Do you think that fresh petrol overnight might free any gunge that might be affecting the carb needle if that is the problem?
Or could it be something completely different?
Sorry for the long post, but any suggestions would be appreciated.
Thanks Philip
I haven't used my Suzuki D2 for a couple of years now, its been on the pushpit waiting for a chance out.
I intended to use it in the future while away, but thought to bring it home to check first, if it still works ok, before finding out on the dinghy it doesnt. It was working fine the last time I used it, and it used to start first time.
I took the spark plug out and checked that was ok by earthing it on the engine and pulling the starter cord, all ok.
I removed the fuel tank and the old fuel, cleaned it all out with fresh fuel, replaced it, and tried to start it.
When turning the fuel cock on, loads of fuel runs out behind the throttle face plate, I wondered what might cause that?
I removed the black throttle face plate in the hope of getting a look inside the carburettor.
The throttle linkage goes up and down as normal but cant see if the needle goes fully down. I assume it goes down and shuts the fuel off, but not exactly sure how the workings of this carburettor works.
With fuel still dripping and the fuel cock turned off, I can start the engine after a few pulls, and it will run as long as I don't fully open the fuel cock again. It will run ok, but then it starts to increase revs until I have to shut it off with the stop button.
I Thought to try and take the carb off but can't get to the two screws at the top as there is the electric thingy fixed above them in the way.
Do you think that fresh petrol overnight might free any gunge that might be affecting the carb needle if that is the problem?
Or could it be something completely different?
Sorry for the long post, but any suggestions would be appreciated.
Thanks Philip


