cygnusv
Well-Known Member
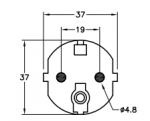
Just bought a cheap generator and as you can see the plug required is different to the UK plug. I need to make an adaptor but need to know exactly which plug fits this first.
Any help much appreciated. Stu
Any help much appreciated. Stu
